HOME >> Services >> Partners >> FAG Bearing
FAG Bearing
IKO Bearing
INA Bearing
KOYO Bearing
NACHI Bearing
NSK Bearing
NTN Bearing
SKF Bearing
TIMKEN Bearing

Bearing number : 20218-MB
Size (mm) : 90x160x30
Brand : FAG
Bore Diameter (mm) : 90
Outer Diameter (mm) : 160
Width (mm) : 30
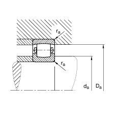
d - 90 mm
D - 160 mm
B - 30 mm
D1 - 143,8 mm
Da max - 149 mm
da min - 101 mm
ra max - 2 mm
rmin - 2 mm
m - 2,72 kg / Weight
Cr - 173000 N / Dynamic load rating (radial)
C0r - 220000 N / Static load rating (radial)
nG - 4550 1/min / Limiting speed
Cur - 22000 N / Fatigue limit load, radial
Main dimensions to DIN 635-1