HOME >> Services >> Partners >> FAG Bearing
FAG Bearing
IKO Bearing
INA Bearing
KOYO Bearing
NACHI Bearing
NSK Bearing
NTN Bearing
SKF Bearing
TIMKEN Bearing

Bearing number : 20215-K-TVP-C3 + H215
Size (mm) : 65x130x25
Brand : FAG
Bore Diameter (mm) : 65
Outer Diameter (mm) : 130
Width (mm) : 25
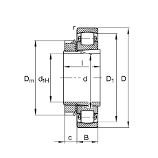
d1H - 65 mm
D - 130 mm
B - 25 mm
Ba min - 5 mm
c - 15 mm
D1 - 115,9 mm
Da max - 121 mm
Dm - 98 mm
d - 75 mm
da max - 90 mm
db min - 80 mm
l - 43 mm
ra max - 1,5 mm
rmin - 1,5 mm
- H215 / Adapter sleeve
m - 1,25 kg / Weight
m1 - 0,71 kg / Weight, adapter sleeve
Cr - 112000 N / Dynamic load rating (radial)
C0r - 143000 N / Static load rating (radial)
nG - 5500 1/min
Cur - 16000 N / Fatigue limit load, radial
Main dimensions to DIN 635-1 / DIN 5415