HOME >> Services >> Partners >> FAG Bearing
FAG Bearing
IKO Bearing
INA Bearing
KOYO Bearing
NACHI Bearing
NSK Bearing
NTN Bearing
SKF Bearing
TIMKEN Bearing

Bearing number : 20206-TVP
Size (mm) : 30x62x16
Brand : FAG
Bore Diameter (mm) : 30
Outer Diameter (mm) : 62
Width (mm) : 16
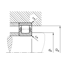
d - 30 mm
D - 62 mm
B - 16 mm
D1 - 53 mm
Da max - 56,4 mm
da min - 35,6 mm
ra max - 1 mm
rmin - 1 mm
m - 0,207 kg / Weight
Cr - 27500 N / Dynamic load rating (radial)
C0r - 28500 N / Static load rating (radial)
nG - 10800 1/min / Limiting speed
Cur - 2850 N / Fatigue limit load, radial
Main dimensions to DIN 635-1