HOME >> Services >> Partners >> FAG Bearing
FAG Bearing
IKO Bearing
INA Bearing
KOYO Bearing
NACHI Bearing
NSK Bearing
NTN Bearing
SKF Bearing
TIMKEN Bearing

Bearing number : 16002
Size (mm) : 15x32x8
Brand : FAG
Bore Diameter (mm) : 15
Outer Diameter (mm) : 32
Width (mm) : 8
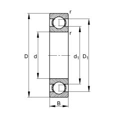
d - 15 mm
D - 32 mm
B - 8 mm
D1 - 26,9 mm
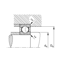
Da max - 30 mm
d1 - 20,5 mm
da min - 17 mm
ra max - 0,3 mm
rmin - 0,3 mm
m - 0,027 kg / Weight
Cr - 5900 N / Basic dynamic load rating, radial
C0r - 2850 N / Basic static load rating, radial
f0 - 13,9
nG - 33500 1/min / Limiting speed
nB - 20000 1/min / Reference speed
Cur - 144 N / Fatigue limit load, radial
Main dimensions to DIN 625-1