HOME >> Services >> Partners >> FAG Bearing
FAG Bearing
IKO Bearing
INA Bearing
KOYO Bearing
NACHI Bearing
NSK Bearing
NTN Bearing
SKF Bearing
TIMKEN Bearing

Bearing number : 1322-K-M-C3 + H322
Size (mm) : 100x240x50
Brand : FAG
Bore Diameter (mm) : 100
Outer Diameter (mm) : 240
Width (mm) : 50
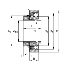
d1H - 100 mm
D - 240 mm
B - 50 mm
Ba min - 9 mm
C1 - 2,7 mm
c - 21 mm
D1 - 203,2 mm
Da max - 226 mm
Dm - 145 mm
d - 110 mm
d1 - 154,7 mm
da max - 150 mm
db min - 118 mm
l - 77 mm
ra max - 2,5 mm
- H322 / Adapter sleeve
m - 12,2 kg / Weight
m1 - 2,21 kg / Weight, adapter sleeve
Cr - 165000 N / Dynamic load rating (radial)
e - 0,23
Y1 - 2,79
Y2 - 4,32
C0r - 71000 N / Static load rating (radial)
Y0 - 2,92
nG - 4500 1/min / Limiting speed
nB - 4700 1/min / Reference speed
Cur - 3300 N / Fatigue limit load, radial -
Main dimensions to DIN 630 / DIN 5415