HOME >> Services >> Partners >> FAG Bearing
FAG Bearing
IKO Bearing
INA Bearing
KOYO Bearing
NACHI Bearing
NSK Bearing
NTN Bearing
SKF Bearing
TIMKEN Bearing

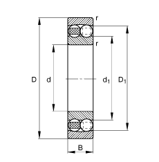
Bearing number : 1314-M
Size (mm) : 70x150x35
Brand : FAG
Bore Diameter (mm) : 70
Outer Diameter (mm) : 150
Width (mm) : 35
d - 70 mm
D - 150 mm
B - 35 mm
D1 - 126,4 mm
Da max - 138 mm
d1 - 97,7 mm
da min - 82 mm
ra max - 2,1 mm
rmin - 2,1 mm
m - 3,22 kg / Weight
Cr - 75000 N / Dynamic load rating (radial)
e - 0,23
Y1 - 2,79
Y2 - 4,32
C0r - 27500 N / Static load rating (radial)
Y0 - 2,93
nG - 7000 1/min / Limiting speed
nB - 6900 1/min / Reference speed
Cur - 1620 N / Fatigue limit load, radial
Main dimensions to DIN 630