HOME >> Services >> Partners >> FAG Bearing
FAG Bearing
IKO Bearing
INA Bearing
KOYO Bearing
NACHI Bearing
NSK Bearing
NTN Bearing
SKF Bearing
TIMKEN Bearing

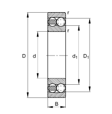
Bearing number : 1309-TVH
Size (mm) : 45x100x25
Brand : FAG
Bore Diameter (mm) : 45
Outer Diameter (mm) : 100
Width (mm) : 25
d - 45 mm
D - 100 mm
B - 25 mm
D1 - 84,1 mm
Da max - 91 mm
d1 - 64,1 mm
da min - 54 mm
ra max - 1,5 mm
rmin - 1,5 mm
m - 0,953 kg / Weight
Cr - 38500 N / Dynamic load rating (radial)
e - 0,25
Y1 - 2,5
Y2 - 3,87
C0r - 12600 N / Static load rating (radial)
Y0 - 2,62
nG - 7500 1/min / Limiting speed
nB - 9300 1/min / Reference speed
Cur - 780 N / Fatigue limit load, radial
Main dimensions to DIN 630