HOME >> Services >> Partners >> FAG Bearing
FAG Bearing
IKO Bearing
INA Bearing
KOYO Bearing
NACHI Bearing
NSK Bearing
NTN Bearing
SKF Bearing
TIMKEN Bearing

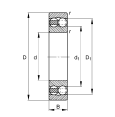
Bearing number : 1224-M
Size (mm) : 120x215x42
Brand : FAG
Bore Diameter (mm) : 120
Outer Diameter (mm) : 215
Width (mm) : 42
d - 120 mm
D - 215 mm
B - 42 mm
C1 - 1,8 mm
D1 - 187,3 mm
Da max - 203 mm
d1 - 149 mm
da min - 132 mm
ra max - 2,1 mm
rmin - 2,1 mm
m - 7,13 kg / Weight
Cr - 121000 N / Dynamic load rating (radial)
e - 0,2
Y1 - 3,11
Y2 - 4,81
C0r - 52000 N / Static load rating (radial)
Y0 - 3,25
nG - 4800 1/min / Limiting speed
nB - 5600 1/min / Reference speed
Cur - 2500 N
Main dimensions to DIN 630