HOME >> Services >> Partners >> FAG Bearing
FAG Bearing
IKO Bearing
INA Bearing
KOYO Bearing
NACHI Bearing
NSK Bearing
NTN Bearing
SKF Bearing
TIMKEN Bearing

Bearing number : 1221-M
Size (mm) : 105x190x36
Brand : FAG
Bore Diameter (mm) : 105
Outer Diameter (mm) : 190
Width (mm) : 36
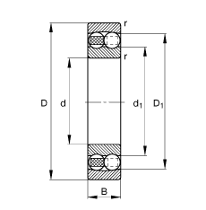
d - 105 mm
D - 190 mm
B - 36 mm
D1 - 164,4 mm
Da max - 178 mm
d1 - 133,9 mm
da min - 117 mm
ra max - 2,1 mm
rmin - 2,1 mm
m - 4,75 kg / Weight
Cr - 75000 N / Dynamic load rating (radial)
e - 0,18
Y1 - 3,54
Y2 - 5,48
C0r - 32000 N / Static load rating (radial)
Y0 - 3,71
nG - 5300 1/min / Limiting speed
nB - 5900 1/min / Reference speed
Cur - 1640 N / Fatigue limit load, radial
Main dimensions to DIN 630