HOME >> Services >> Partners >> FAG Bearing
FAG Bearing
IKO Bearing
INA Bearing
KOYO Bearing
NACHI Bearing
NSK Bearing
NTN Bearing
SKF Bearing
TIMKEN Bearing

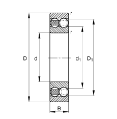
Bearing number : 1220-M
Size (mm) : 100x180x34
Brand : FAG
Bore Diameter (mm) : 100
Outer Diameter (mm) : 180
Width (mm) : 34
d - 100 mm
D - 180 mm
B - 34 mm
D1 - 155,2 mm
Da max - 168 mm
d1 - 127,7 mm
da min - 112 mm
ra max - 2,1 mm
rmin - 2,1 mm
m - 3,99 kg / Weight
Cr - 70000 N / Dynamic load rating (radial)
e - 0,18
Y1 - 3,58
Y2 - 5,53
C0r - 29500 N / Static load rating (radial)
Y0 - 3,75
nG - 5600 1/min / Limiting speed
nB - 6100 1/min / Reference speed
Cur - 1550 N / Fatigue limit load, radial
Main dimensions to DIN 630