HOME >> Services >> Partners >> FAG Bearing
FAG Bearing
IKO Bearing
INA Bearing
KOYO Bearing
NACHI Bearing
NSK Bearing
NTN Bearing
SKF Bearing
TIMKEN Bearing

Bearing number : 1217-K-TVH-C3 + H217
Size (mm) : 75x150x28
Brand : FAG
Bore Diameter (mm) : 75
Outer Diameter (mm) : 150
Width (mm) : 28
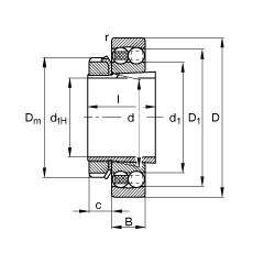
d1H - 75 mm
D - 150 mm
B - 28 mm
Ba min - 6 mm
c - 18 mm
D1 - 130,4 mm
Da max - 139 mm
Dm - 110 mm
d - 85 mm
d1 - 107,5 mm
da max - 96 mm
db min - 90 mm
l - 50 mm
ra max - 2 mm
- H217 / Adapter sleeve
m - 2,03 kg / Weight
m1 - 1,03 kg / Weight, adapter sleeve
Cr - 49500 N / Dynamic load rating (radial)
e - 0,17
Y1 - 3,73
Y2 - 5,78
C0r - 20600 N / Static load rating (radial)
Y0 - 3,91
nG - 4800 1/min / Limiting speed
nB - 6700 1/min / Reference speed
Cur - 1180 N / Fatigue limit load, radial
Main dimensions to DIN 630 / DIN 5415