HOME >> Services >> Partners >> FAG Bearing
FAG Bearing
IKO Bearing
INA Bearing
KOYO Bearing
NACHI Bearing
NSK Bearing
NTN Bearing
SKF Bearing
TIMKEN Bearing

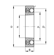
Bearing number : 1215-K-TVH-C3
Size (mm) : 75x130x25
Brand : FAG
Bore Diameter (mm) : 75
Outer Diameter (mm) : 130
Width (mm) : 25
d - 75 mm
D - 130 mm
B - 25 mm
D1 - 114,1 mm
Da max - 121 mm
d1 - 93,7 mm
da min - 84 mm
ra max - 1,5 mm
rmin - 1,5 mm
m - 1,32 kg / Weight
Cr - 39000 N / Dynamic load rating (radial)
e - 0,19
Y1 - 3,32
Y2 - 5,15
C0r - 15500 N / Static load rating (radial)
Y0 - 3,48
nG - 5600 1/min / Limiting speed
nB - 7400 1/min / Reference speed
Cur - 950 N / Fatigue limit load, radial
Main dimensions to DIN 630