HOME >> Services >> Partners >> FAG Bearing
FAG Bearing
IKO Bearing
INA Bearing
KOYO Bearing
NACHI Bearing
NSK Bearing
NTN Bearing
SKF Bearing
TIMKEN Bearing

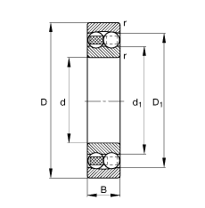
Bearing number : 1214-TVH
Size (mm) : 70x125x24
Brand : FAG
Bore Diameter (mm) : 70
Outer Diameter (mm) : 125
Width (mm) : 24
d - 70 mm
D - 125 mm
B - 24 mm
D1 - 106,6 mm
Da max - 116 mm
d1 - 87,7 mm
da min - 79 mm
ra max - 1,5 mm
rmin - 1,5 mm
m - 1,25 kg / Weight
Cr - 35000 N / Dynamic load rating (radial)
e - 0,19
Y1 - 3,36
Y2 - 5,21
C0r - 13700 N / Static load rating (radial)
Y0 - 3,52
nG - 6000 1/min / Limiting speed
nB - 7900 1/min / Reference speed
Cur - 850 N / Fatigue limit load, radial
Main dimensions to DIN 630