HOME >> Services >> Partners >> FAG Bearing
FAG Bearing
IKO Bearing
INA Bearing
KOYO Bearing
NACHI Bearing
NSK Bearing
NTN Bearing
SKF Bearing
TIMKEN Bearing

Bearing number : 1213-TVH
Size (mm) : 65x120x23
Brand : FAG
Bore Diameter (mm) : 65
Outer Diameter (mm) : 120
Width (mm) : 23
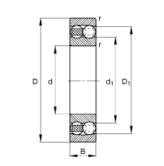
d - 65 mm
D - 120 mm
B - 23 mm
D1 - 103,2 mm
Da max - 111 mm
d1 - 85,2 mm
da min - 74 mm
ra max - 1,5 mm
rmin - 1,5 mm
m - 1,14 kg / Weight
Cr - 31000 N / Dynamic load rating (radial)
e - 0,18
Y1 - 3,57
Y2 - 5,52
C0r - 12400 N / Static load rating (radial)
Y0 - 3,74
nG - 6300 1/min / Limiting speed
nB - 7900 1/min / Reference speed
Cur - 770 N / Fatigue limit load, radial
Main dimensions to DIN 630