HOME >> Services >> Partners >> FAG Bearing
FAG Bearing
IKO Bearing
INA Bearing
KOYO Bearing
NACHI Bearing
NSK Bearing
NTN Bearing
SKF Bearing
TIMKEN Bearing

Bearing number : 1211-K-TVH-C3 + H211
Size (mm) : 50x100x21
Brand : FAG
Bore Diameter (mm) : 50
Outer Diameter (mm) : 100
Width (mm) : 21
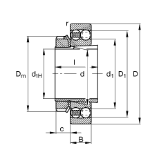
d1H - 50 mm
D - 100 mm
B - 21 mm
Ba min - 6 mm
c - 13 mm
D1 - 86,9 mm
Da max - 91 mm
Dm - 75 mm
d - 55 mm
d1 - 69,5 mm
da max - 64 mm
db min - 60 mm
l - 37 mm
ra max - 1,5 mm
- H211 / Adapter sleeve
m - 0,682 kg / Weight
m1 - 0,31 kg / Weight, adapter sleeve
Cr - 27000 N / Dynamic load rating (radial)
e - 0,19
Y1 - 3,31
Y2 - 5,12
C0r - 9900 N / Static load rating (radial)
Y0 - 3,47
nG - 7500 1/min / Limiting speed
nB - 9300 1/min / Reference speed
Cur - 620 N / Fatigue limit load, radial
Main dimensions to DIN 630 / DIN 5415