HOME >> Services >> Partners >> FAG Bearing
FAG Bearing
IKO Bearing
INA Bearing
KOYO Bearing
NACHI Bearing
NSK Bearing
NTN Bearing
SKF Bearing
TIMKEN Bearing

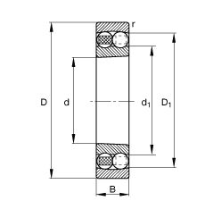
Bearing number : 1210-K-TVH-C3
Size (mm) : 50x90x20
Brand : FAG
Bore Diameter (mm) : 50
Outer Diameter (mm) : 90
Width (mm) : 20
d - 50 mm
D - 90 mm
B - 20 mm
D1 - 77,6 mm
Da max - 83 mm
d1 - 62,7 mm
da min - 57 mm
ra max - 1 mm
rmin - 1,1 mm
m - 0,516 kg / Weight
Cr - 22900 N / Dynamic load rating (radial)
e - 0,2
Y1 - 3,17
Y2 - 4,9
C0r - 8000 N / Static load rating (radial)
Y0 - 3,32
nG - 8500 1/min / Limiting speed
nB - 10500 1/min / Reference speed
Cur - 500 N / Fatigue limit load, radial
Main dimensions to DIN 630