HOME >> Services >> Partners >> FAG Bearing
FAG Bearing
IKO Bearing
INA Bearing
KOYO Bearing
NACHI Bearing
NSK Bearing
NTN Bearing
SKF Bearing
TIMKEN Bearing

Bearing number : 1204-TVH
Size (mm) : 20x47x14
Brand : FAG
Bore Diameter (mm) : 20
Outer Diameter (mm) : 47
Width (mm) : 14
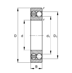
d - 20 mm
D - 47 mm
B - 14 mm
D1 - 38,1 mm
Da max - 41,4 mm
d1 - 29,2 mm
da min - 25,6 mm
ra max - 1 mm
rmin - 1 mm
m - 0,118 kg / Weight
Cr - 10100 N / Dynamic load rating (radial)
e - 0,28
Y1 - 2,24
Y2 - 3,46
C0r - 2600 N / Static load rating (radial)
Y0 - 2,34
nG - 18000 1/min / Limiting speed
nB - 20700 1/min / Reference speed
Cur - 161 N / Fatigue limit load, radial
Main dimensions to DIN 630