HOME >> Services >> Partners >> FAG Bearing
FAG Bearing
IKO Bearing
INA Bearing
KOYO Bearing
NACHI Bearing
NSK Bearing
NTN Bearing
SKF Bearing
TIMKEN Bearing

Bearing number : 11210-TVH
Size (mm) : 50x90x58
Brand : FAG
Bore Diameter (mm) : 50
Outer Diameter (mm) : 90
Width (mm) : 58
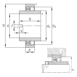
d - 50 mm
D - 90 mm
B - 58 mm
C - 20 mm
d1 - 62,7 mm
r min. - 1,1 mm
D1 - 77,6 mm
Da max. - 83 mm
ra max. - 1 mm
Weight - 0,866 Kg
Basic dynamic load rating (C) - 22,9 kN
Basic static load rating (C0) - 8 kN
Fatigue load limit (Pu) - 500
Limiting speed - 5 600 r/min
Calculation factor (e) - 0,2
Calculation factor (Y0) - 3,32
Calculation factor (Y1) - 3,17
Calculation factor (Y2) - 4,9