HOME >> Services >> Partners >> FAG Bearing
FAG Bearing
IKO Bearing
INA Bearing
KOYO Bearing
NACHI Bearing
NSK Bearing
NTN Bearing
SKF Bearing
TIMKEN Bearing

Bearing number : 222S.304
Size (mm) : 82.55x160x40
Brand : FAG
Bore Diameter (mm) : 82,55
Outer Diameter (mm) : 160
Width (mm) : 40
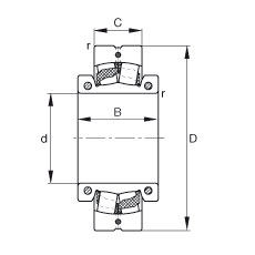
d - 82,55 mm
d - 3 1/4 inch
D - 160 mm
C - 40 mm
B - 70 mm
rmin - 2 mm
m - 4,22 kg / Weight
Cr - 212000 N / Dynamic load rating (radial)
e - 0,22
Y1 - 3,14
Y2 - 4,67
C0r - 270000 N / Static load rating (radial)
Y0 - 3,07
nG - 2160 1/min / Limiting speed
Cur - 25500 N / Fatigue limit load, radial
Fa max - 7600 N / Permissible axial load, for inner ring without axial abutment
Mi - 14 Nm / Tightening torque per clamping screw
Ma - 9 Nm / Tightening torque per clamping screw
- 22218K / Designation, spherical roller bearing, unsplit
- H318.304
SNW18.304 - Designation, adapter sleeve, US design
SNV160 - Designation, plummer block housing
SAF518/3.1/4 - Designation, plummer block housing, US design