HOME >> Services >> Partners >> FAG Bearing
FAG Bearing
IKO Bearing
INA Bearing
KOYO Bearing
NACHI Bearing
NSK Bearing
NTN Bearing
SKF Bearing
TIMKEN Bearing

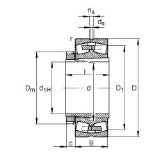
Bearing number : 22252-B-K-MB + H3152X
Size (mm) : 240x480x130
Brand : FAG
Bore Diameter (mm) : 240
Outer Diameter (mm) : 480
Width (mm) : 130
d1H - 240 mm
D - 480 mm
B - 130 mm
Ba min - 25 mm
c - 38 mm
D1 - 415,3 mm
Da max - 460 mm
Dm - 330 mm
d - 260 mm
da max - 308 mm
db min - 276 mm
ds - 12,5 mm
l - 190 mm
ns - 23,5 mm
ra max - 4 mm
rmin - 5 mm
- H3152X / Adapter sleeve
m - 105 kg / Weight
m1 - 23,5 kg / Weight, adapter sleeve
Cr - 2240000 N
e - 0,29
Y1 - 2,32
Y2 - 3,45
C0r - 3450000 N / Static load rating (radial)
Y0 - 2,26
nG - 1720 1/min / Limiting speed
nB - 1080 1/min / Reference speed
Cur -
Main dimensions to DIN 635-2