HOME >> Services >> Partners >> FAG Bearing
FAG Bearing
IKO Bearing
INA Bearing
KOYO Bearing
NACHI Bearing
NSK Bearing
NTN Bearing
SKF Bearing
TIMKEN Bearing

Bearing number : WS22217-E1-2RSR
Size (mm) : 85x150x44
Brand : FAG
Bore Diameter (mm) : 85
Outer Diameter (mm) : 150
Width (mm) : 44
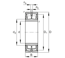
d - 85 mm
D - 150 mm
B - 44 mm
D1 - 137,1 mm
Da max - 139 mm
d2 - 96,5 mm
da min - 96 mm
ds - 3,2 mm
ns - 6,5 mm
ra max - 2 mm
rmin - 2 mm
m - 3,4 kg / Weight
Cr - 305000 N / Dynamic load rating (radial)
e - 0,22
Y1 - 3,04
Y2 - 4,53
C0r - 325000 N / Static load rating (radial)
Y0 - 2,97
nG - 1430 1/min / Limiting speed
Cur - 38000 N
lip seal on both side