HOME >> Services >> Partners >> FAG Bearing
FAG Bearing
IKO Bearing
INA Bearing
KOYO Bearing
NACHI Bearing
NSK Bearing
NTN Bearing
SKF Bearing
TIMKEN Bearing

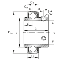
Bearing number : UC210-30
Size (mm) : 47.625x90x51.6
Brand : FAG
Bore Diameter (mm) : 47,625
Outer Diameter (mm) : 90
Width (mm) : 51,6
d - 47,625 mm
d - 1 7/8 inch
DSP - 90 mm
B - 51,6 mm
A - 10 mm
C - 24 mm
C2 - 24,6 mm
Ca - 6,5 mm
d1 - 62,84 mm
S - 19 mm
W - 3/16 inch
m - 0,87 kg / Weight
Cr - 37500 N / Dynamic load rating (radial)
C0r - 23200 N / Static load rating (radial)