HOME >> Services >> Partners >> FAG Bearing
FAG Bearing
IKO Bearing
INA Bearing
KOYO Bearing
NACHI Bearing
NSK Bearing
NTN Bearing
SKF Bearing
TIMKEN Bearing

Bearing number : UC204-12
Size (mm) : 19.05x47x31
Brand : FAG
Bore Diameter (mm) : 19,05
Outer Diameter (mm) : 47
Width (mm) : 31
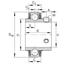
d - 19,05 mm
d - 3/4 inch
DSP - 47 mm
B - 31 mm
A - 5 mm
C - 17 mm
C2 - 16,8 mm
Ca - 4,2 mm
d1 - 27,56 mm
S - 12,7 mm
W - 1/8 inch
m - 0,16 kg / Weight
Cr - 13600 N / Dynamic load rating (radial)
C0r - 6600 N / Static load rating (radial)