HOME >> Services >> Partners >> FAG Bearing
FAG Bearing
IKO Bearing
INA Bearing
KOYO Bearing
NACHI Bearing
NSK Bearing
NTN Bearing
SKF Bearing
TIMKEN Bearing

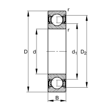
Bearing number : S6307-2RSR
Size (mm) : 35x80x21
Brand : FAG
Bore Diameter (mm) : 35
Outer Diameter (mm) : 80
Width (mm) : 21
d - 35 mm
D - 80 mm
B - 21 mm
D2 - 67,6 mm
Da max - 71 mm
d1 - 49,3 mm
da min - 44 mm
ra max - 1,5 mm
rmin - 1,5 mm
m - 0,483 kg / Weight
Cr - 28290 N / Dynamic load rating (radial)
C0r - 15270 N / Static load rating (radial)
nG - 5600 1/min / Limiting speed
nB - - 1/min / Reference speed
Cur - 1250 N / Fatigue limit load, radial
Main dimensions to DIN 625-1, corrosion resistant, lip seal on both side