HOME >> Services >> Partners >> FAG Bearing
FAG Bearing
IKO Bearing
INA Bearing
KOYO Bearing
NACHI Bearing
NSK Bearing
NTN Bearing
SKF Bearing
TIMKEN Bearing

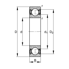
Bearing number : S6204-2RSR
Size (mm) : 20x47x14
Brand : FAG
Bore Diameter (mm) : 20
Outer Diameter (mm) : 47
Width (mm) : 14
d - 20 mm
D - 47 mm
B - 14 mm
D2 - 41 mm
Da max - 41,4 mm
d1 - 28,8 mm
da min - 25,6 mm
ra max - 1 mm
rmin - 1 mm
m - 0,109 kg / Weight
Cr - 10910 N / Dynamic load rating (radial)
C0r - 5360 N / Static load rating (radial)
nG - 10000 1/min / Limiting speed
nB - - 1/min / Reference speed
Cur - 440 N / Fatigue limit load, radial
Main dimensions to DIN 625-1, corrosion resistant, lip seal on both side