HOME >> Services >> Partners >> FAG Bearing
FAG Bearing
IKO Bearing
INA Bearing
KOYO Bearing
NACHI Bearing
NSK Bearing
NTN Bearing
SKF Bearing
TIMKEN Bearing

Bearing number : S6007-2RSR
Size (mm) : 35x62x14
Brand : FAG
Bore Diameter (mm) : 35
Outer Diameter (mm) : 62
Width (mm) : 14
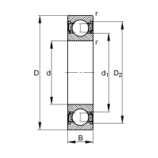
d - 35 mm
D - 62 mm
B - 14 mm
D2 - 55,4 mm
Da max - 57,4 mm
d1 - 43,2 mm
da min - 39,6 mm
ra max - 1 mm
rmin - 1 mm
m - 0,163 kg / Weight
Cr - 13560 N / Dynamic load rating (radial)
C0r - 8250 N / Static load rating (radial)
nG - 7500 1/min / Limiting speed
nB - - 1/min / Reference speed
Cur - 550 N / Fatigue limit load, radial
Main dimensions to DIN 625-1, corrosion resistant, lip seal on both side