HOME >> Services >> Partners >> FAG Bearing
FAG Bearing
IKO Bearing
INA Bearing
KOYO Bearing
NACHI Bearing
NSK Bearing
NTN Bearing
SKF Bearing
TIMKEN Bearing

Bearing number : QJ317-N2-MPA
Size (mm) : 85x180x41
Brand : FAG
Bore Diameter (mm) : 85
Outer Diameter (mm) : 180
Width (mm) : 41
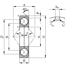
d - 85 mm
D - 180 mm
B - 41 mm
- 45 ° / Groove angle
a - 93 mm
an - 11,7 mm
bn - 10,5 mm
D1 - 148,6 mm
Da max - 166 mm
d1 - 117,8 mm
da min - 99 mm
ra max - 2,5 mm
rmin - 3 mm
rn - 2 mm
α - 35 ° / Angle
m - 5,53 kg / Weight
Cr - 248000 N / Dynamic load rating (radial)
C0r - 255000 N / Static load rating (radial)
nG - 6600 1/min / Limiting speed
Cur - 12400 N
Main dimensions to DIN 628-4, separable, with two retaining slots