HOME >> Services >> Partners >> FAG Bearing
FAG Bearing
IKO Bearing
INA Bearing
KOYO Bearing
NACHI Bearing
NSK Bearing
NTN Bearing
SKF Bearing
TIMKEN Bearing

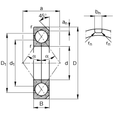
Bearing number : QJ316-N2-MPA
Size (mm) : 80x170x39
Brand : FAG
Bore Diameter (mm) : 80
Outer Diameter (mm) : 170
Width (mm) : 39
d - 80 mm
D - 170 mm
B - 39 mm
- 45 ° / Groove angle
a - 88 mm
an - 10,1 mm
bn - 8,5 mm
D1 - 140,8 mm
Da max - 158 mm
d1 - 110,6 mm
da min - 92 mm
ra max - 2,1 mm
rmin - 2,1 mm
rn - 2 mm
α - 35 ° / Angle
m - 4,65 kg / Weight
Cr - 226000 N / Dynamic load rating (radial)
C0r - 220000 N / Static load rating (radial)
nG - 7000 1/min / Limiting speed
Cur - 11000 N
Main dimensions to DIN 628-4, separable, with two retaining slots