HOME >> Services >> Partners >> FAG Bearing
FAG Bearing
IKO Bearing
INA Bearing
KOYO Bearing
NACHI Bearing
NSK Bearing
NTN Bearing
SKF Bearing
TIMKEN Bearing

Bearing number : QJ315-N2-MPA
Size (mm) : 75x160x37
Brand : FAG
Bore Diameter (mm) : 75
Outer Diameter (mm) : 160
Width (mm) : 37
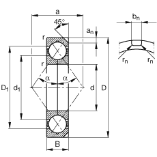
d - 75 mm
D - 160 mm
B - 37 mm
- 45 ° / Groove angle
a - 82 mm
an - 10,1 mm
bn - 8,5 mm
D1 - 131 mm
Da max - 148 mm
d1 - 104,3 mm
da min - 87 mm
ra max - 2,1 mm
rmin - 2,1 mm
rn - 2 mm
α - 35 ° / Angle
m - 3,95 kg / Weight
Cr - 229000 N / Dynamic load rating (radial)
C0r - 204000 N / Static load rating (radial)
nG - 7600 1/min / Limiting speed
Cur - 14000 N
Main dimensions to DIN 628-4, separable, with two retaining slots