HOME >> Services >> Partners >> FAG Bearing
FAG Bearing
IKO Bearing
INA Bearing
KOYO Bearing
NACHI Bearing
NSK Bearing
NTN Bearing
SKF Bearing
TIMKEN Bearing

Bearing number : QJ210-MPA
Size (mm) : 50x90x20
Brand : FAG
Bore Diameter (mm) : 50
Outer Diameter (mm) : 90
Width (mm) : 20
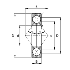
d - 50 mm
D - 90 mm
B - 20 mm
a - 49 mm
D1 - 76,4 mm
Da max - 83 mm
d1 - 63,6 mm
da min - 57 mm
ra max - 1 mm
rmin - 1,1 mm
α - 35 ° / Angle
m - 0,609 kg / Weight
Cr - 62000 N / Dynamic load rating (radial)
C0r - 56000 N / Static load rating (radial)
nG - 13900 1/min / Limiting speed
Cur - 3850 N / Fatigue limit load, radial
Main dimensions to DIN 628-4, separable, split inner rings