HOME >> Services >> Partners >> FAG Bearing
FAG Bearing
IKO Bearing
INA Bearing
KOYO Bearing
NACHI Bearing
NSK Bearing
NTN Bearing
SKF Bearing
TIMKEN Bearing

Bearing number : NUP2234-E-M1
Size (mm) : 170x310x86
Brand : FAG
Bore Diameter (mm) : 170
Outer Diameter (mm) : 310
Width (mm) : 86
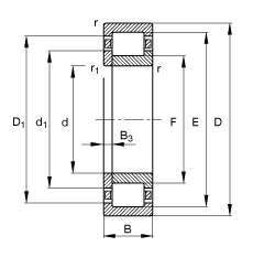
d - 170 mm
D - 310 mm
B - 86 mm
B3 - 12 mm
D1 - 269,9 mm
Da max - 293 mm
d1 - 219 mm
da min - 187 mm
dc min - 223 mm
E - 281 mm
F - 205 mm
r1 min - 4 mm
ra max - 3 mm
rmin - 4 mm
m - 30,2 kg / Weight
Cr - 1130000 N / Dynamic load rating (radial)
C0r - 1400000 N / Static load rating (radial)
nG - 3300 1/min / Limiting speed
nB - 1500 1/min / Reference speed
Cur - 212000 N
Main dimensions to DIN 5412-1, locating bearing, separable, with cage