HOME >> Services >> Partners >> FAG Bearing
FAG Bearing
IKO Bearing
INA Bearing
KOYO Bearing
NACHI Bearing
NSK Bearing
NTN Bearing
SKF Bearing
TIMKEN Bearing

Bearing number : NNU4920-S-K-M-SP
Size (mm) : 100x140x40
Brand : FAG
Bore Diameter (mm) : 100
Outer Diameter (mm) : 140
Width (mm) : 40
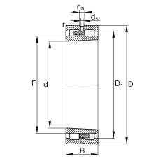
d - 100 mm
D - 140 mm
B - 40 mm
D1 - 125,8 mm
Da max - 134 mm
Db min - - mm
da min - 106 mm
F - 113 mm
ra max - 1 mm
rmin - 1,1 mm
s - 2 mm / Axial displacement facility from central position
m - 1,88 kg / Weight
Cr - 129000 N / Dynamic load rating (radial)
C0r - 255000 N / Static load rating (radial)
nG Fett - 5300 1/min / Limiting speed for grease lubrication
nG Ol - 6300 1/min / Limiting speed for minimal quantity oil lubrication
Cur - 40500 N / Fatigue limit load, radial
Main dimensions to DIN 5412-4