HOME >> Services >> Partners >> FAG Bearing
FAG Bearing
IKO Bearing
INA Bearing
KOYO Bearing
NACHI Bearing
NSK Bearing
NTN Bearing
SKF Bearing
TIMKEN Bearing

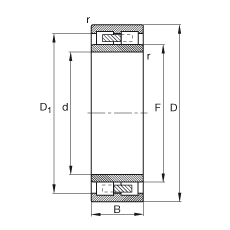
Bearing number : NNU4184-M
Size (mm) : 420x700x280
Brand : FAG
Bore Diameter (mm) : 420
Outer Diameter (mm) : 700
Width (mm) : 280
d - 420 mm
D - 700 mm
B - 280 mm
D1 - 612 mm
Da max - 674 mm
da min - 446 mm
F - 491 mm
ra max - 5 mm
rmin - 6 mm
s - 8,7 mm / Axial displacement facility from central position
m - 434 kg / Weight
Cr - 5500000 N / Dynamic load rating (radial)
C0r - 11000000 N / Static load rating (radial)
nG - 1000 1/min / Limiting speed
Cur - 980000 N / Fatigue limit load, radial